how to convert a small engine to propane the old fashioned way
this page is to document a very
interesting setup my father in
law
Donald fabricated to convert small gasoline engines to run
on
natural gas or LP.
Sadly Donald passed away some years
ago and his collection of
small engines has been sold and scattered to the winds
but perhaps
the simple technique he used to make them run without having to mess
around with messy gasoline will help someone else.
To
convert 1-5 HP gas engines to natural gas or LP he modifies a poppet
regulator (Maxitrol RV48 works well)
by removing the pressure
regulating spring and cap. disassembling and replacing the diaphragm
with a piece of a latex surgical glove to get the regulator
to fully
close but still open under vacuum . That way if the
regulator is oriented up side down so that gravity helps hold the
diaphragm valve closed
no gas will flow until vacuum created by the
engine sucking air through the venturi draws the gas through the
regulator.
for use with LP gas he puts a gas grill type regulator
between the tank and the modified poppet valve.
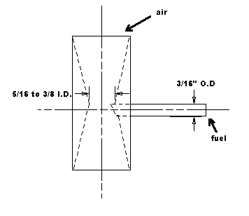
Next he constructs a venturi using
copper water
pipe brass shim stock and 3/16” O.D. thin wall brass tubing.
he selects the size of copper pipe that best fits over the
air inlet of the carburetor on the engine and cut a piece 2”
long.
(¾” rigid copper water pipe seems to work well for most
small engines.)
then he rolls 2 pieces of shim stock into cone shapes about 1”
long with the large ends being the same size as the I.D. of the
copper pipe
and the small ends being between 5/16” and 3/8”
larger
for larger engines smaller for smaller engines but 5/16 to
3/8 seems to work well for most small engines.
He Solders the 2
cones inside the 2”piece of water pipe so that the small ends
meet in the middle
then drills a 3/16” hole though the side of
the water pipe and though the shim stock just to side of were the
2 cones meet
so that the side of the hole cuts the edge of one
piece of shim stock .
Then he cuts the end of the 3/16 O.D. brass tubing at a 45
degree angle.
Then inserts it into hole in side of water pipe
aligning it so
that the angle cut lines up with the angle of the
shim stock as best he
can and solders it in place.
next he fabricates a flow valve to
go
between the poppet regulator and
the venturi by drilling and
taping a hole for a small machine screw
into one side of a piece
of tubing so that when the machine screw is
screwed all the way in
till it touches the other side of the tube it
pretty much blocks
the entire tube. that way he can adjust the fuel air
mix by
turning the screw in or out.
then he plumbs it all
together with assorted tubing and hose in this
order, gas grill
regulator (only needed for LP), modified poppet
regulator, flow
valve, venturi. and then mounts the venturi on the air
intake of
the carburetor of the engine being sure to get a relatively
air
tight seal between the venturi and the carburetor.

this is posted for academic purposes only if you choose to use this information you do so at your own risk
take proper precautions as necessary
etc.
this was never intended for unatended use. if you intend to run an engine when your not right there with it i highly
recomend that you buy a commercial vacuum flow valve. in this day and age were commercial kits are commonly avalable for most every engine
this method is outdated and if you do not know what you are doing quite dangerous.
page by Kurt